Deze elektromagnetische glazen schuifdeur wordt compleet geleverd met 8mm gehard helder veiligheidsglas, een gesloten schuifsysteem en een bediening naar keuze. Het aluminium schuifsysteem wordt geleverd in een lengte van 2700mm en is eenvoudig in te korten. Het systeem is gemakkelijk in te stellen en te bedienen via een app, maar is optioneel ook bedienbaar via een sensor boven de deur, een hands free sensor op de muur en / of een afstandsbediening. Deze schuifdeur is eenvoudig te installeren (plug & play) en voor de aansluiting is geen elektricien benodigd (Zie handleiding en video) Deze schuifdeur kan eenvoudig worden besteld door de strakke afmetingen van de opening in millimeters op te geven, de maximale afmetingen voor dit product bedragen 1000mm x 2350mm.
Hierna geeft u op of er sprake is van wandmontage of plafondmontage. Bij plafondmontage tegen of vlak bij een muur is 1 afdekkap voldoende. Indien er van 2 kanten in / naar het systeem gekeken kan worden adviseren wij om 2 afdekkappen toe te passen. Wij houden vervolgens rekening met de benodigde speling in de hoogte. In de breedte calculeren wij een overlap van 60mm per zijde t.b.v. tocht en inkijk. Tot slot kiest u de gewenste bediening. De standaard bediening is een sensor + app, maar is vrij ui te breiden met een sensor op de muur en een afstandsbediening. Indien u een andere overlap wenst kunt u dit het beste via e-mail aanvragen.
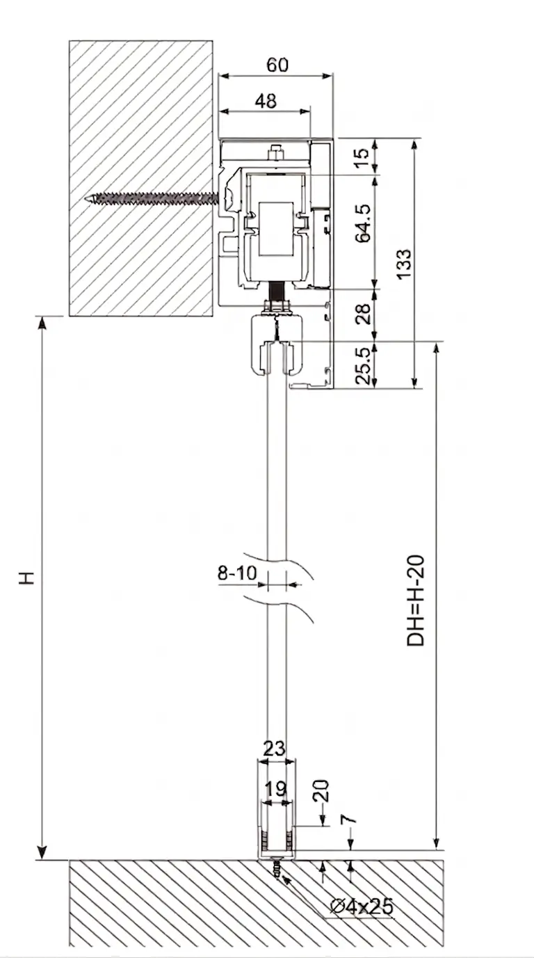
Bij het kopje Details kunt u de specificaties van deze schuifdeur bekijken. Ook staat hier informatie m.b.t. de inmeetinstructies. Indien u een afwijkende situatie heeft of wanneer u specifieke voorkeuren, wensen of vragen heeft, dan kunt u telefonisch met ons contact opnemen via 0031 - 76 51 58 083 of via de mail: info@glasopmaat.be
| Spiegels zilver | 8-10 werkdagen |
| Spiegels brons / grijs | 8-10 werkdagen |
| Confrontatiespiegels | 15 werkdagen |
| Veiligheidsspiegels | 8-10 werkdagen |
| Douche- / binnendeuren | 10 werkdagen |
| Legplanken / tafelbladen | 10 werkdagen |
| Los gehard glas | 10 werkdagen |
| Glas met facet | +1 week extra |
| Dubbel glas | 10-12 werkdagen |
| Triple glas | 10-15 werkdagen |
| Zonwerend glas | 10-15 werkdagen |
| Vacuüm glas | 18 werkweken |
| Enkel glas | 10 werkdagen |
| Gelaagd glas | 10-12 werkdagen |
| Gehard-gelaagd glas | 15-20 werkdagen |
| Draadglas | 10 werkdagen |
| Spatwanden (gekleurd) | 15 werkdagen |
| Voorzetramen | 15 werkdagen |
| Losse producten (geen glas) | 2-3 werkdagen |
Specificaties automatische schuifdeur op maat van helder glas met gesloten railsysteem:
- 8mm gehard helder veiligheidsglas
- Compleet elektromagnetisch schuifsysteem incl. rails, afdekkap, loopwagens, vloergeleider
- Alle afmetingen mogelijk tot 1000mm x 2350 mm
- Minimale breedte 730mm
- Aluminium afwerking
- Loopwagens getest voor 500.000 openingen
- Instelbaar schuifsysteem d.m.v. een app
- Bedienbaar via app, sensor boven de deur, hands free muursensor, afstandsbediening
Alternatieve opties op aanvraag:
- Afwijkende afmetingen
- Gezandstraald motief, vlak of stroken
- Andere glassoort (bijvb. gekleurd glas of extra helder glas)
- Langere rails (3000mm)
Wanneer een extra optie gewenst is, als er sprake is van een afwijkende situatie of wanneer u andere wensen heeft kunt u dit via info@glasopmaat.be aanvragen.
€ 1.995,00
Gratis verzending!
Nu ook met Klarna achteraf betalen!
- Klanten beoordelen ons met een 9,2
- Levering in Nederland en Vlaanderen
- Gratis afhalen op 5 locaties in NL & BE
- Neem contact met ons op voor advies
Deze elektromagnetische glazen schuifdeur wordt compleet geleverd met 8mm gehard helder veiligheidsglas, een gesloten schuifsysteem en een bediening naar keuze. Het aluminium schuifsysteem wordt geleverd in een lengte van 2700mm en is eenvoudig in te korten. Het systeem is gemakkelijk in te stellen en te bedienen via een app, maar is optioneel ook bedienbaar via een sensor boven de deur, een hands free sensor op de muur en / of een afstandsbediening. Deze schuifdeur is eenvoudig te installeren (plug & play) en voor de aansluiting is geen elektricien benodigd (Zie handleiding en video) Deze schuifdeur kan eenvoudig worden besteld door de strakke afmetingen van de opening in millimeters op te geven, de maximale afmetingen voor dit product bedragen 1000mm x 2350mm.
Hierna geeft u op of er sprake is van wandmontage of plafondmontage. Bij plafondmontage tegen of vlak bij een muur is 1 afdekkap voldoende. Indien er van 2 kanten in / naar het systeem gekeken kan worden adviseren wij om 2 afdekkappen toe te passen. Wij houden vervolgens rekening met de benodigde speling in de hoogte. In de breedte calculeren wij een overlap van 60mm per zijde t.b.v. tocht en inkijk. Tot slot kiest u de gewenste bediening. De standaard bediening is een sensor + app, maar is vrij ui te breiden met een sensor op de muur en een afstandsbediening. Indien u een andere overlap wenst kunt u dit het beste via e-mail aanvragen.
Bij het kopje Details kunt u de specificaties van deze schuifdeur bekijken. Ook staat hier informatie m.b.t. de inmeetinstructies. Indien u een afwijkende situatie heeft of wanneer u specifieke voorkeuren, wensen of vragen heeft, dan kunt u telefonisch met ons contact opnemen via 0031 - 76 51 58 083 of via de mail: info@glasopmaat.be
| Spiegels zilver | 8-10 werkdagen |
| Spiegels brons / grijs | 8-10 werkdagen |
| Confrontatiespiegels | 15 werkdagen |
| Veiligheidsspiegels | 8-10 werkdagen |
| Douche- / binnendeuren | 10 werkdagen |
| Legplanken / tafelbladen | 10 werkdagen |
| Los gehard glas | 10 werkdagen |
| Glas met facet | +1 week extra |
| Dubbel glas | 10-12 werkdagen |
| Triple glas | 10-15 werkdagen |
| Zonwerend glas | 10-15 werkdagen |
| Vacuüm glas | 18 werkweken |
| Enkel glas | 10 werkdagen |
| Gelaagd glas | 10-12 werkdagen |
| Gehard-gelaagd glas | 15-20 werkdagen |
| Draadglas | 10 werkdagen |
| Spatwanden (gekleurd) | 15 werkdagen |
| Voorzetramen | 15 werkdagen |
| Losse producten (geen glas) | 2-3 werkdagen |
Specificaties automatische schuifdeur op maat van helder glas met gesloten railsysteem:
- 8mm gehard helder veiligheidsglas
- Compleet elektromagnetisch schuifsysteem incl. rails, afdekkap, loopwagens, vloergeleider
- Alle afmetingen mogelijk tot 1000mm x 2350 mm
- Minimale breedte 730mm
- Aluminium afwerking
- Loopwagens getest voor 500.000 openingen
- Instelbaar schuifsysteem d.m.v. een app
- Bedienbaar via app, sensor boven de deur, hands free muursensor, afstandsbediening
Alternatieve opties op aanvraag:
- Afwijkende afmetingen
- Gezandstraald motief, vlak of stroken
- Andere glassoort (bijvb. gekleurd glas of extra helder glas)
- Langere rails (3000mm)
Wanneer een extra optie gewenst is, als er sprake is van een afwijkende situatie of wanneer u andere wensen heeft kunt u dit via info@glasopmaat.be aanvragen.













